Panzerfaust

Kergerelvastus - püstolid, püssid, kuulipildujad, täägid, kaikad ja munad.
Kasutaja avatar
Martin
Huviline
Postitusi: 246
Liitunud: E Dets 15, 2008 12:50 pm
Asukoht: Wesenberg

Re: Panzerfaust

Postitus Postitas Martin »

ugandiklubi kirjutas:Teab keegi panzerfaust 30 klain ,stabilisaatori mõõtmeid ??????????
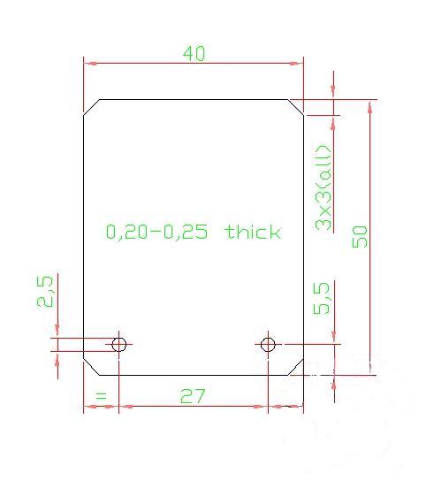
vin%20pzft%2030%20klein.jpg
Ehk on abiks :wink:
Manused
klein_tail_dimen.jpg
ugandiklubi
Huviline
Postitusi: 159
Liitunud: R Sept 23, 2005 9:15 pm
Asukoht: TARTU

Re: Panzerfaust

Postitus Postitas ugandiklubi »

:wink: Suut tänu
Kasutaja avatar
wessel
Huviline
Postitusi: 414
Liitunud: L Sept 05, 2009 10:16 am
Asukoht: Estland

Re: Panzerfaust

Postitus Postitas wessel »

Panzerfaust ja tšehhi Mauser.
Manused
panz.jpeg
Kasutaja avatar
desert eagle
Huviline
Postitusi: 609
Liitunud: P Juul 16, 2006 2:28 pm
Asukoht: Tallinn

Re: Panzerfaust

Postitus Postitas desert eagle »

Mis mõõtudega on Faustpatrone 30 ja 60 plekist stabikalabad.Kunagi teadsin neid mõõte aga enam ei mäleta.
Kasutaja avatar
Kindral
Veteran
Postitusi: 1457
Liitunud: R Okt 14, 2005 11:29 am

Re: Panzerfaust

Postitus Postitas Kindral »

Täna sõrvest merest nopitud.
Manused
image.jpeg
Ostan/vahetan saksa kiivreid!
funker

Re: Panzerfaust

Postitus Postitas funker »

Natuke pilte, valmistamisest 1945 aasta ajakirjast ja punaste poolset poosetamist.

http://frontovik.org/tretij-rejh-german ... aust-1291/
Vasta

Mine “Relvastus/Armament”